產品(pǐn)詳細



|
產品名稱
|
江土鑄造液壓連接器 | ||||||||||
|
適用對象
|
0.8噸至25噸挖機 | ||||||||||
|
產品特點
|
它具有(yǒu)如下優點: 售後(hòu)保障:六個月包換,一年保修。 生產周期短(duǎn)、交貨快; 節省焊接工序,價格更低,性價比更高,更加符合市場需求; 安全銷使操作更加精準、更加安全; 連接器軸的熱處理達到55度,硬度高,不易開裂,非常耐用; 鑄(zhù)鋼的材料含鋅、錳等微量元素種類多含量高,抗拉強度高(gāo),抗用; 前(qián)後的虎口(kǒu)是一(yī)樣寬,不容易掉套; 受力點在下板上,不在油缸上,避免油缸(gāng)斷裂; 軸距可調的,不(bú)是定死的,操作(zuò)仰角比其他家大,挖機可操作的動作幅度大; 管路等配件比其他家好。 |
||||||||||
|
類別
|
單位
|
JT-00
|
JT-01A
|
JT-01B
|
JT-02
|
JT-04
|
JT-06
|
JT-08
|
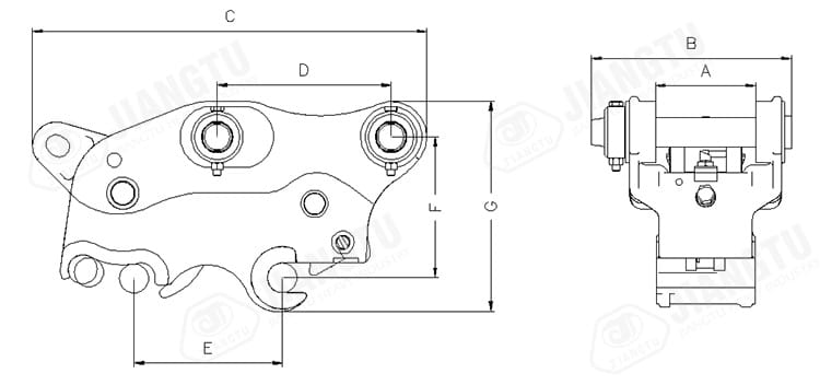
| 總長度 C | mm | 400 | 410 | 455 | 520-542 | 581-610 | 760 | 920-955 |
| 總寬度 B | mm | 240 | 280 | 295 | 260-266 | 265-283 | 351-454 | 450-483 |
| 總(zǒng)高度 G | mm | 185 | 250 | 258 | 312 | 318 | 400 | 512 |
| 小臂開檔 A | mm | 90-120 | 110-130 | 120-140 | 155-172 | 181-205 | 230-317 | 290-345 |
| 軸中心(xīn)距 D | mm | 90-130 | 140-180 | 190-230 | 220-275 | 290-350 | 350-400 | 430-480 |
| 軸直徑 | mm | 20-30 | 30-40 | 30-40 | 40-45 | 45-55 | 50-70 | 70-90 |
| 油缸行程E | mm | 90-130 | 140-180 | 190-230 | 200-300 | 300-350 | 340-440 | 420-510 |
| 上下(xià)軸間距 F | mm | 185 | 165 | 170 | 200-210 | 205-220 | 240-255 | 300 |
| 重量 | kg | 24 | 32 | 37 | 50-75 | 80-110 | 170-210 | 350-390 |
| 工作(zuò)壓力 | kgf/cm3 | 30-400 | 30-400 | 30-400 | 30-400 | 30-400 | 30-400 | 30-400 |
| 必要流量 | l | 10-20 | 10-20 | 10-20 | 10-20 | 10-20 | 10-20 | 10-20 |
| 適配挖機 | ton | 0.8-2 | 2-4 | 2-4 | 4-6 | 6-9 | 10-16 | 18-25 |























